
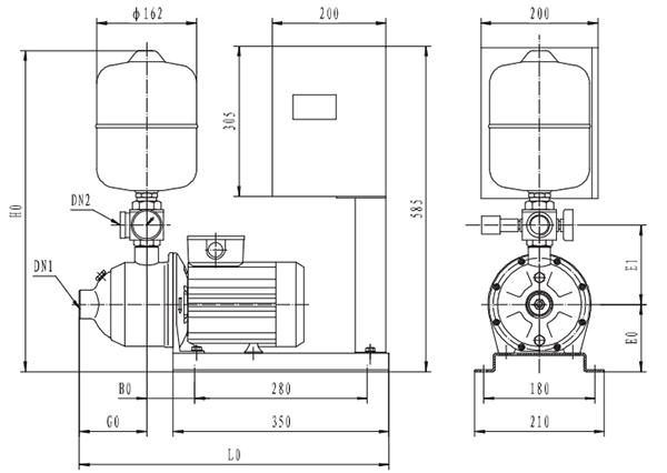
名稱:變頻恒壓供水泵COR-1MHIDM
型號:COR-1MHIDM
品牌:威樂水泵產品
咨詢電話:0538-5822222
型號:COR-1MHIDM
品牌:威樂水泵產品
咨詢電話:0538-5822222
產品簡介
◆·變頻控制。◆·低噪音,低震動。
◆·PLC和變頻技術相結合,避免水泵頻繁啟停。
◆·陶瓷傳感器,可靠性高。
◆·流量延時停機。
◆·不銹鋼泵頭,衛(wèi)生潔凈。
◆·內置缺水保護,易操作,易維護。
◆·各種不同水量需求的供水,灑水領域,中小型建筑供水增壓。
◆·洗浴,暖通,冷凝水,水及乙二醇混合液。





上一篇:自吸排污泵ZW
下一篇:自動增壓泵PB-250SEA
